Ojal Acero

Ojal Acero

Somos Nuote Metals, ubicados en Dongguan. Nuestra fábrica se especializa en la producción de acero para ojales. Llevamos muchos años trabajando con ojales de acero. Este tipo de acero está fabricado para ser resistente y fácil de moldear. Procesamos acero en láminas delgadas o bobinas. Luego lo cortamos y le damos forma de ojales. Nuestro acero con ojales es limpio y liso. No tiene asperezas. Hacemos muchos tamaños con este acero para ojales. Se comprueba la calidad de cada pieza. Muchos clientes compran nuestros productos de acero con ojales. Confían en la fuerza y ​​el remate. También podemos personalizar el acero con ojales para pedidos especiales.

Enviar Consulta

Descripción del Producto

Introducción de acero con ojales

El acero para ojales está fabricado con un acero especial. Es más blando que algunos otros aceros. Esto hace que el acero sea fácil de presionar y moldear. Cuando se hacen ojales con acero para ojales, son fuertes pero no quebradizos. Se pueden doblar sin romperse. El acero con ojales suele tener un acabado brillante o revestido. Esto ayuda a prevenir la oxidación y mantiene su buen aspecto. Para trabajar con acero para ojales utilizamos máquinas de estampación. Las máquinas perforan el acero en anillos redondos. Entonces estos anillos se convierten en los ojales que usamos todos los días.



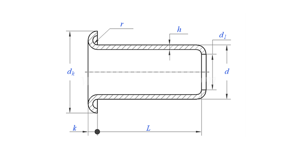
Parámetro de acero del ojal (especificación)



Material acero
Tratamiento superficial Limpio, cincado, niquelado, plateado, según pedido
Certificado Cumple con RoHS
Diámetro del vástago 0,8-10 mm
Tolerancia +/-0,05 mm
Solicitud Adecuado para su uso en diversas industrias, incluidas la automotriz, aeroespacial, eléctrica y electrónica, etc.
Control de calidad La inspección 100% completa a lo largo de la producción garantiza que cada producto cumpla con el estándar ISO, lo que garantiza productos de alta calidad.




dibujando como se muestra a continuación:


Característica y aplicación de acero con ojales

Los zapatos utilizan ojales de acero para los cordones. Los bolsos y cinturones los necesitan para agujeros y correas. Los equipos para actividades al aire libre, como las tiendas de campaña, también utilizan ojales de acero. La ropa y los uniformes de trabajo suelen tenerlos. Algunos muebles y cubiertas de automóviles utilizan ojales de acero. Incluso las mochilas para niños utilizan pequeños ojales de acero. Estos ojales aguantan bien el uso diario. Son fuertes y no rasgan el material. Nuestros clientes eligen acero con ojales para un rendimiento confiable. Saben que el acero con ojales funcionará bien. Nos complace suministrar acero para ojales de calidad desde nuestro taller de Dongguan.


Detalles de acero con ojales.

Preguntas frecuentes:

P1: ¿Cuál es su MOQ para el acero con ojales?

La cantidad mínima de pedido para remaches es de 20.000 unidades.


P2: ¿Pueden personalizar la fabricación con nuestro dibujo?

Sí, la mayoría de nuestros remaches tubulares se fabrican a medida según el dibujo del cliente.


P3: ¿Podría proporcionarnos muestras gratuitas de los remaches huecos?

Podemos proporcionar muestras gratuitas para el tamaño que tenemos en stock, pero los clientes pagarán los cargos exprés.


P4: ¿Cuál es su tiempo de entrega?

Tamaño de los remaches en stock: 3-5 días, remaches no estándar: 15-25 días. Realizaremos la entrega lo antes posible con la garantía de calidad.


P5: ¿La calidad de sus productos?

La empresa cuenta con equipos avanzados de producción y prueba. Todos los productos serán inspeccionados al 100% por nuestro departamento de control de calidad antes del envío.


P6: ¿Por qué elegimos Nuote Technology?

1. Nuote respetamos los términos del cliente para proteger los proyectos de privacidad del cliente.

2.Alta calidad con precio atractivo.

3. Plazo de entrega rápido

4.Trato feliz y honestidad con el cliente y el socio.

5.El anuncio de ventas profesional responde su consulta en 8 horas.

6.Los productos y servicios de Nuote se venden a más de 70 países con buena reputación.


Etiquetas calientes: Ojal de acero,Ojal de acero China,Fábrica de ojales de China
Categoría relacionada
Enviar Consulta
Por favor, siéntase libre de dar su consulta en el siguiente formulario. Le responderemos en 24 horas.
X
Utilizamos cookies para ofrecerle una mejor experiencia de navegación, analizar el tráfico del sitio y personalizar el contenido. Al utilizar este sitio, acepta nuestro uso de cookies. política de privacidad