Ojales SS

Ojales SS

Somos Nuote Metals de Dongguan. Nuestra fábrica fabrica ojales resistentes todos los días. SS significa acero inoxidable. Estos ojales de acero no se oxidan fácilmente. Utilizamos buen acero inoxidable para fabricarlos. Nuestros ojales SS vienen en diferentes tamaños. Algunos son pequeños para artículos livianos. Algunos son grandes para un uso intensivo. Nuestro equipo revisa cada ojal ss. Se fijan en el acabado y la forma. Muchos clientes eligen nuestros ojales ss. Les gusta que duren mucho y se mantengan brillantes. Podemos hacer muestras rápidamente para nuevos pedidos.

Enviar Consulta

Descripción del Producto

Introducción a los ojales SS

Los ojales SS son anillos metálicos fabricados en acero inoxidable. Fortalecen los agujeros en los materiales. Estos ojales SS funcionan bien en lugares húmedos. La lluvia o la humedad no los daña. Mantienen su fuerza durante años. Para instalar ojales ss, necesita una máquina prensadora. La máquina coloca el ojal ss en el material. Luego se queda quieto y no se mueve. Esto prepara los productos para condiciones difíciles.


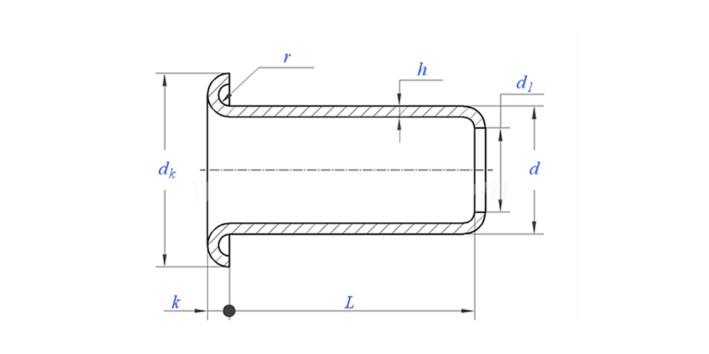
dibujando como se muestra a continuación:


Parámetro de ojales SS (especificación)


Material acero inoxidable
Tratamiento superficial Limpio, cincado, niquelado, plateado, según pedido
Certificado Cumple con RoHS
Diámetro del vástago 0,8-10 mm
Tolerancia +/-0,05 mm
Solicitud Adecuado para su uso en diversas industrias, incluidas la automotriz, aeroespacial, eléctrica y electrónica, etc.
Control de calidad La inspección 100% completa a lo largo de la producción garantiza que cada producto cumpla con el estándar ISO, lo que garantiza productos de alta calidad.



Característica y aplicación de los ojales SS

Los ojales SS se utilizan en muchas cosas. El equipo para actividades al aire libre, como las tiendas de campaña, utiliza ojales para cuerdas. Los bolsos y zapatos los necesitan para cordones y correas. Las cortinas de cocina a veces también tienen ojales. La ropa y los uniformes de trabajo utilizan ojales de acero para mayor durabilidad. Los barcos y artículos marinos necesitan ojales porque resisten el agua salada. Incluso algunas herramientas y equipos utilizan ojales de acero. Estos ojales de acero ayudan a que los productos se mantengan fuertes y prolijos. Nuestros clientes confían en nuestros ojales ss para sus proyectos. Saben que estos ojales no se oxidarán ni se romperán. Estamos orgullosos de fabricar buenos ojales aquí en Dongguan.


Detalles de ojales SS

Información de embalaje de ojales SS

Preguntas frecuentes:

P1: ¿Cuál es su cantidad mínima de pedido para ojales de acero inoxidable?

La cantidad mínima de pedido para remaches es de 20.000 unidades.


P2: ¿Pueden personalizar la fabricación con nuestro dibujo?

Sí, la mayoría de nuestros remaches tubulares se fabrican a medida según el dibujo del cliente.


P3: ¿Podría proporcionarnos muestras gratuitas de los remaches huecos?

Podemos proporcionar muestras gratuitas para el tamaño que tenemos en stock, pero los clientes pagarán los cargos exprés.


P4: ¿Cuál es su tiempo de entrega?

Tamaño de los remaches en stock: 3-5 días, remaches no estándar: 15-25 días. Realizaremos la entrega lo antes posible con la garantía de calidad.


P5: ¿La calidad de sus productos?

La empresa cuenta con equipos avanzados de producción y prueba. Todos los productos serán inspeccionados al 100% por nuestro departamento de control de calidad antes del envío.


P6: ¿Por qué elegimos Nuote Technology?

1. Nuote respetamos los términos del cliente para proteger los proyectos de privacidad del cliente.

2.Alta calidad con precio atractivo.

3. Plazo de entrega rápido

4.Trato feliz y honestidad con el cliente y el socio.

5.El anuncio de ventas profesional responde su consulta en 8 horas.

6.Los productos y servicios de Nuote se venden a más de 70 países con buena reputación.


Etiquetas calientes: Ojales SS,Fábrica de ojales en China,fabricante de ojales SS
Categoría relacionada
Enviar Consulta
Por favor, siéntase libre de dar su consulta en el siguiente formulario. Le responderemos en 24 horas.
X
Utilizamos cookies para ofrecerle una mejor experiencia de navegación, analizar el tráfico del sitio y personalizar el contenido. Al utilizar este sitio, acepta nuestro uso de cookies. política de privacidad