Ojales para pancartas

Ojales para pancartas

Somos Nuote Metals de Dongguan, China. Fabricamos ojales para pancartas publicitarias. Nuestra fábrica produce ojales para pancartas desde hace muchos años. Utilizamos materiales resistentes para fabricar nuestros ojales para pancartas. El latón y el acero son nuestros principales materiales. Hacemos ojales para pancartas en diferentes tamaños. Los carteles pequeños utilizan pequeños ojales para carteles. Los carteles grandes necesitan ojales grandes. cada Nuestros trabajadores revisan el ojal de la pancarta antes del envío. Se aseguran de que cada pieza sea perfecta. Muchas empresas de publicidad utilizan nuestros ojales para pancartas. Les gusta nuestra calidad y buen precio. Podemos hacer muestras rápidamente para nuevos clientes.

Enviar Consulta

Descripción del Producto

Introducción a los ojales para pancartas

Los ojales para pancartas son anillos metálicos para pancartas. Se colocan a lo largo de los bordes de las pancartas. Por estos ojales pasan cuerdas o cordones. Los ojales para pancartas facilitan la colocación de pancartas. Protegen los agujeros del cartel contra roturas. Los buenos ojales para pancartas se mantienen fuertes con viento y lluvia. No se oxidan ni se rompen fácilmente. La instalación de ojales para pancartas requiere una máquina especial. La máquina presiona cada ojal del banner en el material del banner. Entonces el ojal para pancartas quedará fijo en su lugar. Esto hace que los carteles estén listos para su uso en exteriores.


Parámetro de ojales de pancarta (especificación)



Material Latón, acero, aluminio, acero inoxidable, cobre.
Tratamiento superficial Limpio, cincado, niquelado, plateado, según pedido
Certificado Cumple con RoHS
Diámetro del vástago 0,8-10 mm
Tolerancia +/-0,05 mm
Solicitud Adecuado para su uso en diversas industrias, incluidas la automotriz, aeroespacial, eléctrica y electrónica, etc.
Control de calidad La inspección 100% completa a lo largo de la producción garantiza que cada producto cumpla con el estándar ISO, lo que garantiza productos de alta calidad.



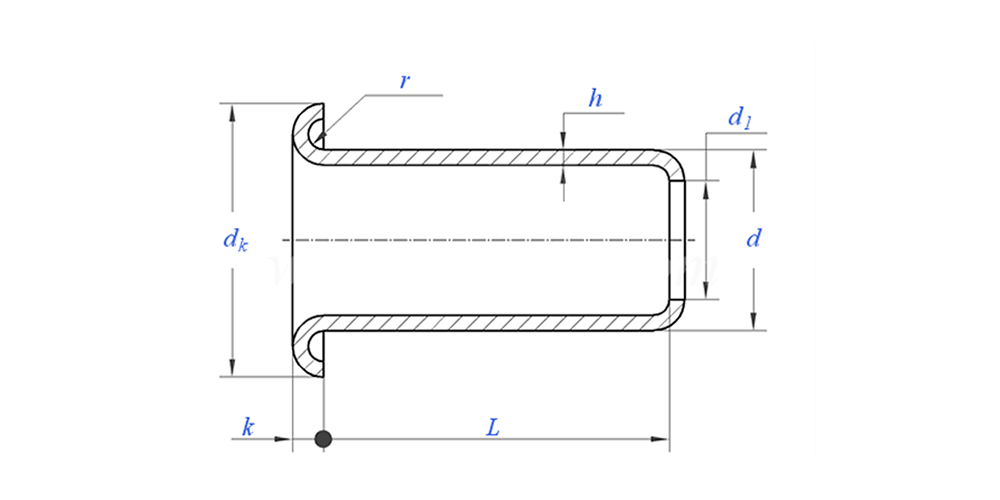
Los ojales de pancarta se dibujan como se muestra a continuación:

Muestra de aplicación de ojales de pancarta:

Característica y aplicación de los ojales para pancartas

Los ojales para pancartas se utilizan en todas partes. Los carteles de las tiendas necesitan ojales para colgarlos. Los carteles para eventos utilizan ojales para los postes. Los carteles callejeros tienen ojales para colgar las cuerdas. Los carteles deportivos necesitan ojales para carteles en los estadios. Los carteles de festivales también utilizan ojales. Incluso los carteles de interior necesitan a veces ojales para pancartas. Estos ojales para pancartas ayudan a que las pancartas duren más y luzcan prolijas. Por eso es importante tener unos buenos ojales para pancartas en la publicidad. Nuestros clientes confían en nuestros ojales para pancartas para sus pancartas. Saben que nuestros ojales para pancartas funcionan bien en cualquier clima.


Detalles de producción de ojales para pancartas

Información de embalaje de ojales para pancartas

Preguntas frecuentes:

P1: ¿Cuál es su MOQ para Banner Eyelets?

La cantidad mínima de pedido para remaches es de 20.000 unidades.


P2: ¿Pueden personalizar la fabricación con nuestro dibujo?

Sí, la mayoría de nuestros remaches tubulares se fabrican a medida según el dibujo del cliente.


P3: ¿Podría proporcionarnos muestras gratuitas de los remaches huecos?

Podemos proporcionar muestras gratuitas para el tamaño que tenemos en stock, pero los clientes pagarán los cargos exprés.


P4: ¿Cuál es su tiempo de entrega?

Tamaño de los remaches en stock: 3-5 días, remaches no estándar: 15-25 días. Realizaremos la entrega lo antes posible con la garantía de calidad.


P5: ¿La calidad de sus productos?

La empresa cuenta con equipos avanzados de producción y prueba. Todos los productos serán inspeccionados al 100% por nuestro departamento de control de calidad antes del envío.


P6: ¿Por qué elegimos Nuote Technology?

1. Nuote respetamos los términos del cliente para proteger los proyectos de privacidad del cliente.

2.Alta calidad con precio atractivo.

3. Plazo de entrega rápido

4.Trato feliz y honestidad con el cliente y el socio.

5.El anuncio de ventas profesional responde su consulta en 8 horas.

6.Los productos y servicios de Nuote se venden a más de 70 países con buena reputación.


Etiquetas calientes: Ojales para pancartas,China Ojales para pancartas,Fabricante de ojales para pancartas
Categoría relacionada
Enviar Consulta
Por favor, siéntase libre de dar su consulta en el siguiente formulario. Le responderemos en 24 horas.
X
Utilizamos cookies para ofrecerle una mejor experiencia de navegación, analizar el tráfico del sitio y personalizar el contenido. Al utilizar este sitio, acepta nuestro uso de cookies. política de privacidad