Remaches huecos
  • Remaches huecos Remaches huecos

Remaches huecos

Los remaches huecos, también llamados remaches de ojal, generalmente están hechos de latón, acero, cobre, acero inoxidable, aluminio, etc., y pueden revestirse con estaño, níquel, zinc, etc. Nuote Metals ha producido remaches huecos durante más de 10 años en China, tenemos muchos tamaños diferentes en stock, le invitamos a enviarnos su consulta con un dibujo a medida.

Enviar Consulta

Descripción del Producto

Introducción de remaches huecos.


Los remaches y los ojales son sujetadores industriales que se utilizan para unir dos o más materiales, pero difieren en su integridad estructural y función. Los remaches con ojales, un tipo de anillo o tubo hueco, están diseñados para una sujeción menos permanente, a menudo decorativa o semipermanente.


remaches huecos


hollow rivets


Muestra de aplicación de remaches huecos:


hollow rivets



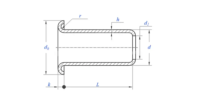
Parámetro del producto (especificación)


Material

Latón

Tratamiento superficial

Limpio, cincado, niquelado, plateado, según pedido

Certificado

Cumple con RoHS

Diámetro del vástago

0,8-10 mm

Tolerancia

+/-0,05 mm

Solicitud

 Adecuado para su uso en diversas industrias, incluidasautomoción, aeroespacial, eléctrica y electrónica, etc.

Control de calidad

La inspección 100% completa a lo largo de la producción garantiza que cada producto cumpla con el estándar ISO, lo que garantiza productos de alta calidad.


Característica y aplicación del producto


Los materiales para los remaches con ojal incluyen aluminio, latón o acero, y cada uno ofrece ventajas específicas en términos de resistencia a la corrosión, solidez y costo. Los remaches huecos se engarzan en un orificio preperforado para reforzar el material y proporcionar un borde acabado, ampliamente utilizados en textiles, artículos de cuero, artículos de papelería, lonas, cortinas para ventanas y artesanía.


Detalles de producción de remaches huecos


hollow rivets


Información de embalaje


hollow rivets


Preguntas frecuentes:


P1: ¿Cuál es su MOQ para remaches huecos?

La cantidad mínima de pedido para remaches es de 20.000 unidades.


P2: ¿Pueden personalizar la fabricación con nuestro dibujo?

Sí, la mayoría de nuestros remaches tubulares se fabrican a medida según el dibujo del cliente.


P3: ¿Podría proporcionarnos muestras gratuitas de los remaches huecos?

Podemos proporcionar muestras gratuitas para el tamaño que tenemos en stock, pero los clientes pagarán los cargos Express.


P4: ¿Cuál es su tiempo de entrega?

Tamaño de los remaches en stock: 3-5 días, remaches no estándar: 15-25 días. Realizaremos la entrega lo antes posible con la garantía de calidad.


P5: ¿La calidad de sus productos?

La empresa cuenta con equipos avanzados de producción y prueba. Todos los productos serán inspeccionados al 100% por nuestro departamento de control de calidad antes del envío.


P6: ¿Por qué elegimos Nuote Technology?

1. Nuote respetamos los términos del cliente para proteger los proyectos de privacidad del cliente.

2.Alta calidad con precio atractivo.

3. Plazo de entrega rápido

4.Trato feliz y honestidad con el cliente y el socio.

5.El anuncio de ventas profesional responde su consulta en 8 horas.

6. Los productos y servicios de Nuote se venden a más de 70 países con buena r.


Etiquetas calientes: Remaches huecos
Categoría relacionada
Enviar Consulta
Por favor, siéntase libre de dar su consulta en el siguiente formulario. Le responderemos en 24 horas.
X
Utilizamos cookies para ofrecerle una mejor experiencia de navegación, analizar el tráfico del sitio y personalizar el contenido. Al utilizar este sitio, acepta nuestro uso de cookies. política de privacidad