Ojales para botas

Ojales para botas

Fabricamos ojales para botas todos los días aquí en Nuote Metals en Dongguan. Los ojales son los fuertes anillos de metal que se ven en las botas. Los cordones pasan por ellos. Fabricamos nuestros ojales para botas con materiales resistentes. Necesitan durar mucho tiempo. Los producimos en diferentes tamaños y acabados. Algunos son brillantes, otros son mate. Todos ellos están hechos para ser duraderos.

Enviar Consulta

Descripción del Producto

Introducción a los ojales para botas

Los ojales para botas tienen una función muy importante. Fortalecen los agujeros de los cordones. Sin ellos, los agujeros se romperían fácilmente. Cuando aprietas los cordones, los ojales de las botas absorben la presión. También ayudan a que los cordones se muevan con suavidad. Esto hace que sea más fácil ponerse y quitarse las botas.


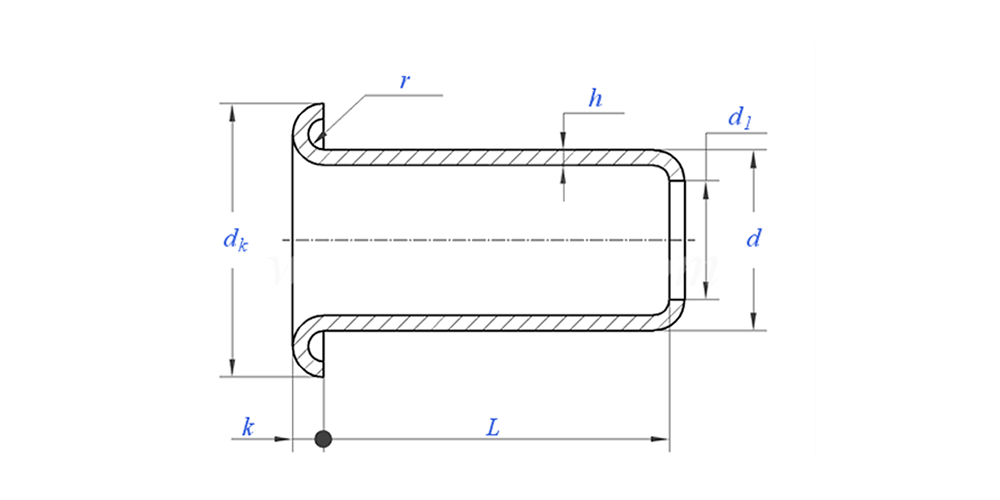
ojales de arranque que se muestran a continuación:


Parámetro de ojales de arranque (especificación)



Material Latón, acero, aluminio, acero inoxidable, cobre.
Tratamiento superficial Limpio, cincado, niquelado, plateado, según pedido
Certificado Cumple con RoHS
Diámetro del vástago 0,8-10 mm
Tolerancia +/-0,05 mm
Solicitud Adecuado para su uso en diversas industrias, incluidas la automotriz, aeroespacial, eléctrica y electrónica, etc.
Control de calidad La inspección 100% completa a lo largo de la producción garantiza que cada producto cumpla con el estándar ISO, lo que garantiza productos de alta calidad.




Función y aplicación de los ojales de arranque

Puedes encontrar ojales para botas en muchos tipos de botas. Las botas de trabajo las tienen. Las botas de montaña las utilizan. Las botas militares también las necesitan. Incluso las botas de cuero de moda tienen ojales para botas. Ayudan a mantener tus pies seguros y cómodos. Sin unos buenos ojales para botas, las botas no encajarían correctamente ni durarían tanto.


Detalles de producción de ojales para botas


Preguntas frecuentes:

P1: ¿Cuál es su cantidad mínima de pedido para ojales de arranque?

La cantidad mínima de pedido para remaches es de 20.000 unidades.


P2: ¿Pueden personalizar la fabricación con nuestro dibujo?

Sí, la mayoría de nuestros remaches tubulares se fabrican a medida según el dibujo del cliente.


P3: ¿Podría proporcionarnos muestras gratuitas de los remaches huecos?

Podemos proporcionar muestras gratuitas para el tamaño que tenemos en stock, pero los clientes pagarán los cargos exprés.


P4: ¿Cuál es su tiempo de entrega?

Tamaño de los remaches en stock: 3-5 días, remaches no estándar: 15-25 días. Realizaremos la entrega lo antes posible con la garantía de calidad.


P5: ¿La calidad de sus productos?

La empresa cuenta con equipos avanzados de producción y prueba. Todos los productos serán inspeccionados al 100% por nuestro departamento de control de calidad antes del envío.


P6: ¿Por qué elegimos Nuote Technology?

1. Nuote respetamos los términos del cliente para proteger los proyectos de privacidad del cliente.

2.Alta calidad con precio atractivo.

3. Plazo de entrega rápido

4.Trato feliz y honestidad con el cliente y el socio.

5.El anuncio de ventas profesional responde su consulta en 8 horas.

6.Los productos y servicios de Nuote se venden a más de 70 países con buena reputación.


Etiquetas calientes: Ojales para botas,China Ojales para botas,Fabricante de ojales para botas
Categoría relacionada
Enviar Consulta
Por favor, siéntase libre de dar su consulta en el siguiente formulario. Le responderemos en 24 horas.
X
Utilizamos cookies para ofrecerle una mejor experiencia de navegación, analizar el tráfico del sitio y personalizar el contenido. Al utilizar este sitio, acepta nuestro uso de cookies. política de privacidad