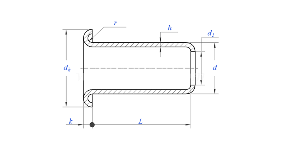
Los ojales para cortinas están diseñados tanto para la apariencia como para la función. Tienen una superficie interior lisa que permite que la barra de la cortina pase fácilmente. Esto hace que abrir y cerrar las cortinas sea muy sencillo. Los ojales también están diseñados para mantener bien su forma, evitando que se deformen con el tiempo. Esta resistencia es una característica clave de los ojales para cortinas de buena calidad.
| Material | Latón, acero, aluminio, acero inoxidable, cobre. |
| Tratamiento superficial | Limpio, cincado, niquelado, plateado, según pedido |
| Certificado | Cumple con RoHS |
| Diámetro del vástago | 0,8-10 mm |
| Tolerancia | +/-0,05 mm |
| Solicitud | Adecuado para su uso en diversas industrias, incluidas la automotriz, aeroespacial, eléctrica y electrónica, etc. |
| Control de calidad | La inspección 100% completa a lo largo de la producción garantiza que cada producto cumpla con el estándar ISO, lo que garantiza productos de alta calidad. |
El uso principal de los ojales para cortinas es, por supuesto, colgar cortinas. Crean pliegues profundos y elegantes en la tela, dando un aspecto muy contemporáneo a cualquier habitación. Debido a que los ojales de las cortinas se deslizan tan suavemente sobre la barra, se necesita muy poco esfuerzo para abrir o cerrar las cortinas. Este sencillo sistema hace que los ojales para cortinas sean una opción popular y práctica para muchas personas hoy en día.

P1: ¿Cuál es su cantidad mínima de pedido para ojales de cortina?
La cantidad mínima de pedido para remaches es de 20.000 unidades.
P2: ¿Pueden personalizar la fabricación con nuestro dibujo?
Sí, la mayoría de nuestros remaches tubulares se fabrican a medida según el dibujo del cliente.
P3: ¿Podría proporcionarnos muestras gratuitas de los remaches huecos?
Podemos proporcionar muestras gratuitas para el tamaño que tenemos en stock, pero los clientes pagarán los cargos Express.
P4: ¿Cuál es su tiempo de entrega?
Tamaño de los remaches en stock: 3-5 días, remaches no estándar: 15-25 días. Realizaremos la entrega lo antes posible con la garantía de calidad.
P5: ¿La calidad de sus productos?
La empresa cuenta con equipos avanzados de producción y prueba. Todos los productos serán inspeccionados al 100% por nuestro departamento de control de calidad antes del envío.
P6: ¿Por qué elegimos Nuote Technology?
1. Nuote respetamos los términos del cliente para proteger los proyectos de privacidad del cliente.
2.Alta calidad con precio atractivo.
3. Plazo de entrega rápido
4.Trato feliz y honestidad con el cliente y el socio.
5.El anuncio de ventas profesional responde su consulta en 8 horas.
6.Los productos y servicios de Nuote se venden a más de 70 países con buena reputación.