Ojal y arandela

Ojal y arandela

Puede encontrar un ojal y una arandela en muchos artículos cotidianos. Son pequeñas piezas metálicas. El ojal es como un pequeño anillo y la arandela es un disco plano. Se presionan entre sí para crear un agujero fuerte y suave en materiales como tela o plástico. Esto evita que el material se rompa. En China, Nuote Metals fabrica estas piezas pequeñas pero útiles. Producimos muchos tipos de ojales y arandelas para diferentes trabajos.

Enviar Consulta

Descripción del Producto

Introducción de ojal y arandela.

Lo que hace que un ojal y una arandela sean tan útiles es lo simples que son. Pasas el ojal por un agujero en el material. Luego, colocas la lavadora en la parte trasera. Una máquina los presiona, apretando las piezas. Esto bloquea firmemente el material en el medio. El resultado es un agujero limpio y fuerte que no se desgasta fácilmente. Debido a este diseño simple, el ojal y la arandela son una solución muy confiable.


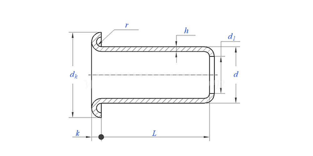
Dibujo de ojales y arandelas como se muestra a continuación:

Muestra de aplicación de ojales y arandelas:

Parámetro de ojal y arandela (especificación)

Material Latón
Tratamiento superficial Limpio, cincado, niquelado, plateado, según pedido
Tipo de cabeza Remaches macizos de cabeza redonda
Certificado Cumple con RoHS
Diámetro del vástago 0,8-8mm
Tolerancia +/-0,05 mm
Solicitud Adecuado para su uso en diversas industrias, incluidas la automotriz, aeroespacial, eléctrica y electrónica, etc.
Control de calidad La inspección 100% completa a lo largo de la producción garantiza que cada producto cumpla con el estándar ISO, lo que garantiza productos de alta calidad.




Característica y aplicación de ojales y arandelas

Un buen ejemplo de dónde se ve un ojal y una arandela es en una lata de aceite. Muchas latas de aceite tienen un pequeño pico de metal para verter. Esta boquilla se usa mucho y podría romperse fácilmente. Pero si miras de cerca, a menudo verás un pequeño anillo de metal que refuerza la abertura. Ese es el ojal y la arandela en funcionamiento. Fortalece el pico y previene fugas, por lo que el aceite puede durar mucho tiempo. Es un uso perfecto para este simple par de piezas.


Detalles de producción de ojales y arandelas

Información de embalaje

Preguntas frecuentes:

P1: ¿Cuál es su cantidad mínima de pedido para ojales y arandelas?

La cantidad mínima de pedido para remaches es de 20.000 unidades.


P2: ¿Pueden personalizar la fabricación con nuestro dibujo?

Sí, la mayoría de nuestros remaches tubulares se fabrican a medida según el dibujo del cliente.


P3: ¿Podría proporcionarnos muestras gratuitas de los remaches huecos?

Podemos proporcionar muestras gratuitas para el tamaño que tenemos en stock, pero los clientes pagarán los cargos Express.


P4: ¿Cuál es su tiempo de entrega?

Tamaño de los remaches en stock: 3-5 días, remaches no estándar: 15-25 días. Realizaremos la entrega lo antes posible con la garantía de calidad.


P5: ¿La calidad de sus productos?

La empresa cuenta con equipos avanzados de producción y prueba. Todos los productos serán inspeccionados al 100% por nuestro departamento de control de calidad antes del envío.


P6: ¿Por qué elegimos Nuote Technology?

1. Nuote respetamos los términos del cliente para proteger los proyectos de privacidad del cliente.

2.Alta calidad con precio atractivo.

3. Plazo de entrega rápido

4.Trato feliz y honestidad con el cliente y el socio.

5.El anuncio de ventas profesional responde su consulta en 8 horas.

6.Los productos y servicios de Nuote se venden a más de 70 países con buena reputación.


Etiquetas calientes: Ojal y arandela, China Ojal y arandela, fabricante de ojal y arandela
Categoría relacionada
Enviar Consulta
Por favor, siéntase libre de dar su consulta en el siguiente formulario. Le responderemos en 24 horas.
X
Utilizamos cookies para ofrecerle una mejor experiencia de navegación, analizar el tráfico del sitio y personalizar el contenido. Al utilizar este sitio, acepta nuestro uso de cookies. política de privacidad