Ojales metálicos

Ojales metálicos

Probablemente hayas visto muchas veces ojales de metal sin siquiera darte cuenta. Son esos pequeños anillos metálicos que refuerzan los agujeros en todo tipo de productos. Un ojal de metal puede parecer simple, pero está diseñado para resolver un problema común: evitar que los agujeros se rompan o se desgasten. Ya sea en tus zapatos o en tu mochila, este pequeño componente trabaja duro para que las cosas duren más.

Enviar Consulta

Descripción del Producto

Introducción del ojal de metal

Colocar un ojal de metal es bastante sencillo. Colocas la parte principal a través del material, luego presionas la pieza de la arandela en la parte posterior. Las herramientas especiales pueden hacer esto rápidamente, pero incluso las herramientas más simples funcionan bien. Lo bueno de un ojal de metal es cómo protege el material alrededor del agujero del desgaste, manteniendo todo limpio y fuerte.


Muestra de aplicación de ojal de metal:

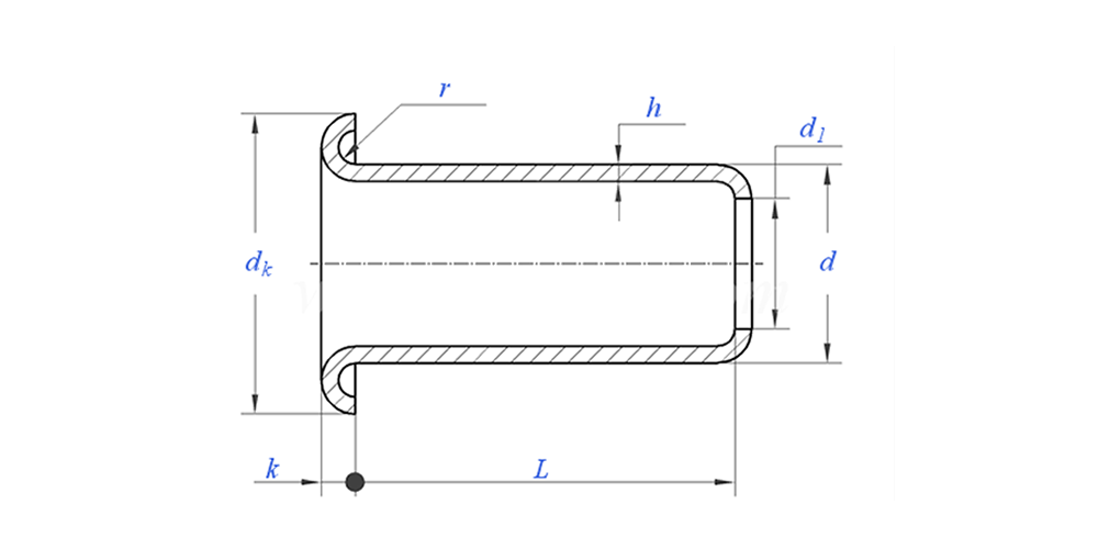
Dibujo de ojal de metal como se muestra a continuación:


Parámetro de ojales metálicos (especificación)



Material Latón, acero, aluminio, acero inoxidable, cobre.
Tratamiento superficial Limpio, cincado, niquelado, plateado, según pedido
Certificado Cumple con RoHS
Diámetro del vástago 0,8-10 mm
Tolerancia +/-0,05 mm
Solicitud Adecuado para su uso en diversas industrias, incluidas la automotriz, aeroespacial, eléctrica y electrónica, etc.
Control de calidad La inspección 100% completa a lo largo de la producción garantiza que cada producto cumpla con el estándar ISO, lo que garantiza productos de alta calidad.



Característica y aplicación de los ojales metálicos

Te sorprendería saber en cuántos lugares puedes encontrar ojales de metal trabajando duro. Son la razón por la que los agujeros de los cordones de tus zapatos no se rompen después de un uso repetido. En equipos para actividades al aire libre, como tiendas de campaña y velas, los ojales de metal resisten las condiciones climáticas adversas sin fallar. También son esenciales en entornos industriales, ya que ayudan a organizar cables y alambres. Dondequiera que haya un agujero que necesite protección, probablemente encontrará un ojal de metal que haga su trabajo.


Detalles de producción de ojales metálicos

Información de embalaje

Preguntas frecuentes:

P1: ¿Cuál es su cantidad mínima de pedido para ojales de metal?

La cantidad mínima de pedido para remaches es de 20.000 unidades.


P2: ¿Pueden personalizar la fabricación con nuestro dibujo?

Sí, la mayoría de nuestros remaches tubulares se fabrican a medida según el dibujo del cliente.


P3: ¿Podría proporcionarnos muestras gratuitas de los remaches huecos?

Podemos proporcionar muestras gratuitas para el tamaño que tenemos en stock, pero los clientes pagarán los cargos Express.


P4: ¿Cuál es su tiempo de entrega?

Tamaño de los remaches en stock: 3-5 días, remaches no estándar: 15-25 días. Realizaremos la entrega lo antes posible con la garantía de calidad.


P5: ¿La calidad de sus productos?

La empresa cuenta con equipos avanzados de producción y prueba. Todos los productos serán inspeccionados al 100% por nuestro departamento de control de calidad antes del envío.


P6: ¿Por qué elegimos Nuote Technology?

1. Nuote respetamos los términos del cliente para proteger los proyectos de privacidad del cliente.

2.Alta calidad con precio atractivo.

3. Plazo de entrega rápido

4.Trato feliz y honestidad con el cliente y el socio.

5.El anuncio de ventas profesional responde su consulta en 8 horas.

6.Los productos y servicios de Nuote se venden a más de 70 países con buena reputación.


Etiquetas calientes: Ojales de metal,Ojales de metal en China,Fábrica de ojales de metal
Categoría relacionada
Enviar Consulta
Por favor, siéntase libre de dar su consulta en el siguiente formulario. Le responderemos en 24 horas.
X
Utilizamos cookies para ofrecerle una mejor experiencia de navegación, analizar el tráfico del sitio y personalizar el contenido. Al utilizar este sitio, acepta nuestro uso de cookies. política de privacidad