Ojal metálico

Ojal metálico

Somos Nuote Metals de Dongguan, China. Nuestra fábrica fabrica muchos tipos de ojales metálicos para diferentes usos. Hemos fabricado productos con ojales metálicos durante más de diez años. Utilizamos diferentes metales para fabricar estos artículos con ojales metálicos. El latón, el acero y el aluminio son materiales comunes. Fabricamos ojales metálicos en todos los tamaños. Los pequeños para zapatos, los grandes para lonas. Nuestros trabajadores revisan cada ojal metálico antes de empacar. Prueban cada pieza para asegurarse de que funcione bien. Muchos clientes compran nuestros productos de ojales metálicos con regularidad. Les gusta nuestra buena calidad y suministro confiable.

Enviar Consulta

Descripción del Producto

Introducción

Un ojal de metal es un anillo que fortalece los agujeros. Se coloca en material como tela o cuero. Cuando pasas algo a través del ojal de metal, el agujero no se rompe. El ojal metálico protege el material. También hace que el producto luzca limpio. La mayoría de los ojales metálicos tienen forma redonda. Son fáciles de instalar con una máquina prensadora. La máquina coloca rápidamente el ojal metálico en el material. Luego, el ojal de metal permanece firmemente en su lugar para un uso prolongado.


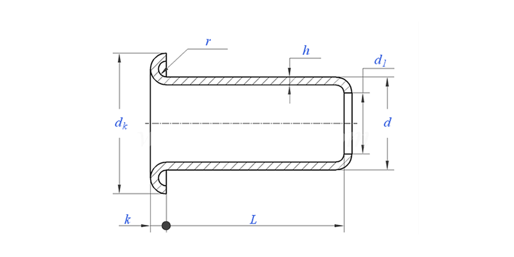
Dibujo de ojal de metal como se muestra a continuación:

Parámetro del producto (especificación)



Material Latón, acero, aluminio, acero inoxidable, cobre.
Tratamiento superficial Limpio, cincado, niquelado, plateado, según pedido
Certificado Cumple con RoHS
Diámetro del vástago 0,8-10 mm
Tolerancia +/-0,05 mm
Solicitud Un ojal de metal es un anillo que fortalece los agujeros. Se coloca en material como tela o cuero. Cuando pasas algo a través del ojal de metal, el agujero no se rompe. El ojal metálico protege el material. También hace que el producto luzca limpio. La mayoría de los ojales metálicos tienen forma redonda. Son fáciles de instalar con una máquina prensadora. La máquina coloca rápidamente el ojal metálico en el material. Luego, el ojal de metal permanece firmemente en su lugar para un uso prolongado.
Control de calidad La inspección 100% completa a lo largo de la producción garantiza que cada producto cumpla con el estándar ISO, lo que garantiza productos de alta calidad.


Característica y aplicación del producto

El ojal metálico tiene muchas aplicaciones. Los zapatos usan ojales de metal para los agujeros de los cordones. Las bolsas utilizan ojales de metal para asas y correas. Las tiendas de campaña y las lonas necesitan ojales de metal para las cuerdas. La ropa, como las sudaderas con capucha, a veces tiene ojales de metal para las cuerdas. Las fundas de muebles utilizan ojales de metal para atar. Los productos industriales también necesitan ojales metálicos para diversas funciones. Este pequeño ojal metálico ayuda a que muchos productos funcionen mejor y duren más. Es por eso que a tantas fábricas les gustaría elegir nuestros productos de ojales metálicos. Confían en nuestra experiencia y control de calidad.


Detalles de producción de prendas de metal

Información de embalaje

Preguntas frecuentes:

P1: ¿Cuál es su MOQ para Metal Grommet?

La cantidad mínima de pedido para remaches es de 20.000 unidades.


P2: ¿Pueden personalizar la fabricación con nuestro dibujo?

Sí, la mayoría de nuestros remaches tubulares se fabrican a medida según el dibujo del cliente.


P3: ¿Podría proporcionarnos muestras gratuitas de los remaches huecos?

Podemos proporcionar muestras gratuitas para el tamaño que tenemos en stock, pero los clientes pagarán los cargos exprés.


P4: ¿Cuál es su tiempo de entrega?

Tamaño de los remaches en stock: 3-5 días, remaches no estándar: 15-25 días. Realizaremos la entrega lo antes posible con la garantía de calidad.


P5: ¿La calidad de sus productos?

La empresa cuenta con equipos avanzados de producción y prueba. Todos los productos serán inspeccionados al 100% por nuestro departamento de control de calidad antes del envío.


P6: ¿Por qué elegimos Nuote Technology?

1. Nuote respetamos los términos del cliente para proteger los proyectos de privacidad del cliente.

2.Alta calidad con precio atractivo.

3. Plazo de entrega rápido

4.Trato feliz y honestidad con el cliente y el socio.

5.El anuncio de ventas profesional responde su consulta en 8 horas.

6.Los productos y servicios de Nuote se venden a más de 70 países con buena reputación.


Etiquetas calientes: Ojal metálico
Enviar Consulta
Por favor, siéntase libre de dar su consulta en el siguiente formulario. Le responderemos en 24 horas.
X
We use cookies to offer you a better browsing experience, analyze site traffic and personalize content. By using this site, you agree to our use of cookies. Privacy Policy