Ojales para zapatos

Ojales para zapatos

Fabricamos ojales para zapatos en nuestra fábrica en Dongguan, China. Los ojales son pequeños anillos de metal que se pueden ver en los zapatos para los cordones. También se les llama ojales. Los hacemos fuertes para que no se rompan cuando aprietas los cordones. Nuestros ojales para zapatos están hechos de diferentes metales, como latón, aluminio y acero inoxidable. Y se pueden hacer con diferentes colores para combinar con todo tipo de zapatos.

Enviar Consulta

Descripción del Producto

La función principal de Shoe Eyelets es proteger el zapato. Cuando tiras de los cordones, el anillo de metal recibe la presión en lugar del material del zapato. Esto evita que los agujeros se hagan más grandes o se rompan. Los buenos ojales para zapatos también facilitan el paso de los cordones. Te ayudan a atar tus zapatos rápidamente sin que los cordones se atasquen.


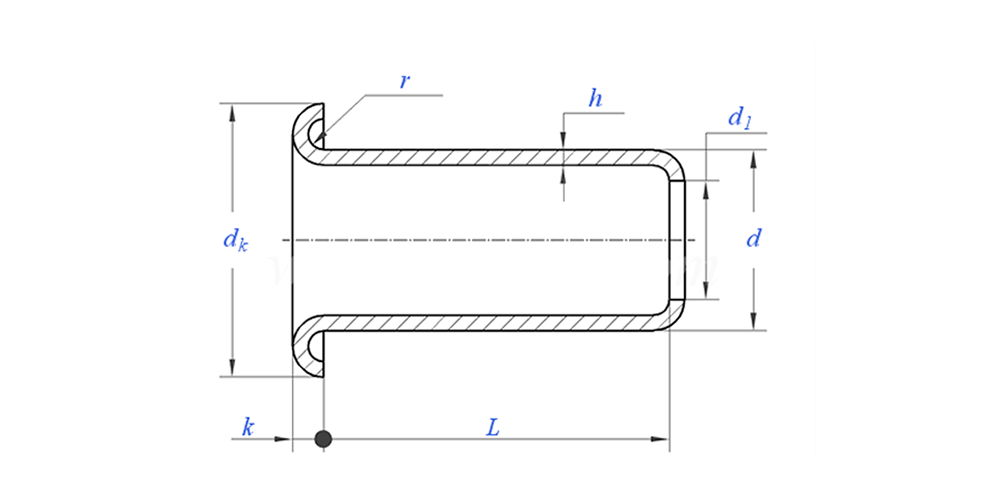
Dibujo de ojales para zapatos como se muestra a continuación:

Parámetro de ojales para zapatos (especificación)



Material Latón, acero, aluminio, acero inoxidable, cobre.
Tratamiento superficial Limpio, cincado, niquelado, plateado, según pedido
Certificado Cumple con RoHS
Diámetro del vástago 0,8-10 mm
Tolerancia +/-0,05 mm
Solicitud Adecuado para su uso en diversas industrias, incluidas la automotriz, aeroespacial, eléctrica y electrónica, etc.
Control de calidad La inspección 100% completa a lo largo de la producción garantiza que cada producto cumpla con el estándar ISO, lo que garantiza productos de alta calidad.



Muestra de aplicación:



Característica y aplicación de los ojales para zapatos

Se ven ojales para zapatos en casi todos los zapatos con cordones. Los zapatos escolares de los niños necesitan que duren incluso cuando juegan duro. Los zapatos para correr los utilizan para ayudar a los atletas a conseguir un ajuste seguro. Incluso los zapatos de cuero elegantes tienen ojales, aunque a veces los hacen parecer más decorativos. Sin estos pequeños anillos de metal, nuestros zapatos se desgastarían mucho más rápido y serían más difíciles de calzar.


Detalles de producción de ojales de metal

Información de embalaje

Preguntas frecuentes:

P1: ¿Cuál es su cantidad mínima de pedido para ojales para zapatos?

La cantidad mínima de pedido para remaches es de 20.000 unidades.


P2: ¿Pueden personalizar la fabricación con nuestro dibujo?

Sí, la mayoría de nuestros remaches tubulares se fabrican a medida según el dibujo del cliente.


P3: ¿Podría proporcionarnos muestras gratuitas de los remaches huecos?

Podemos proporcionar muestras gratuitas para el tamaño que tenemos en stock, pero los clientes pagarán los cargos Express.


P4: ¿Cuál es su tiempo de entrega?

Tamaño de los remaches en stock: 3-5 días, remaches no estándar: 15-25 días. Realizaremos la entrega lo antes posible con la garantía de calidad.


P5: ¿La calidad de sus productos?

La empresa cuenta con equipos avanzados de producción y prueba. Todos los productos serán inspeccionados al 100% por nuestro departamento de control de calidad antes del envío.


P6: ¿Por qué elegimos Nuote Technology?

1. Nuote respetamos los términos del cliente para proteger los proyectos de privacidad del cliente.

2.Alta calidad con precio atractivo.

3. Plazo de entrega rápido

4.Trato feliz y honestidad con el cliente y el socio.

5.El anuncio de ventas profesional responde su consulta en 8 horas.

6.Los productos y servicios de Nuote se venden a más de 70 países con buena reputación.


Etiquetas calientes: Ojales para zapatos,China Ojales para zapatos,Fabricante de ojales para zapatos
Categoría relacionada
Enviar Consulta
Por favor, siéntase libre de dar su consulta en el siguiente formulario. Le responderemos en 24 horas.
X
Utilizamos cookies para ofrecerle una mejor experiencia de navegación, analizar el tráfico del sitio y personalizar el contenido. Al utilizar este sitio, acepta nuestro uso de cookies. política de privacidad