Ojales de acero inoxidable 316.

Ojales de acero inoxidable 316.

En nuestras instalaciones de Dongguan, Nuote Metals fabrica ojales duraderos de acero inoxidable 316. Este material es especial porque resiste muy bien la oxidación. Llevamos muchos años fabricando ojales de acero inoxidable 316. Estos ojales son fuertes y pueden durar mucho tiempo. Los fabricamos en varios tamaños. Algunas son pequeñas para productos delicados. Algunos son grandes para uso intensivo. Nuestro equipo revisa cada ojal de acero inoxidable 316. Garantizan que cada pieza esté suave y limpia. Muchos clientes eligen nuestros ojales de acero inoxidable 316. Confían en la calidad y durabilidad. Podemos proporcionar muestras en unos pocos días.

Enviar Consulta

Descripción del Producto

Introducción a los ojales de acero inoxidable 316

Los ojales de acero inoxidable 316 están hechos de acero de alta calidad. Este acero contiene molibdeno. Eso hace que los ojales de acero inoxidable 316 resistan mejor la corrosión. No se oxidan en agua salada ni en aire húmedo. Estos ojales también son resistentes bajo presión. No se doblan ni se rompen fácilmente. Para producir ojales de acero inoxidable 316 utilizamos máquinas precisas. Las máquinas cortan y dan forma al acero en anillos perfectos. Luego pulimos cada ojal de acero inoxidable 316. Esto les da un bonito acabado y bordes suaves.


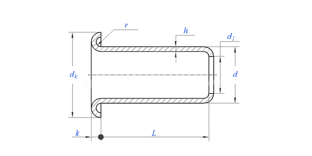
Ojales de acero inoxidable 316 que se muestran a continuación:

Parámetro de ojales de acero inoxidable 316 (especificación)



Material acero inoxidable
Tratamiento superficial Limpio, cincado, niquelado, plateado, según pedido
Certificado Cumple con RoHS
Diámetro del vástago 0,8-10 mm
Tolerancia +/-0,05 mm
Solicitud Adecuado para su uso en diversas industrias, incluidas la automotriz, aeroespacial, eléctrica y electrónica, etc.
Control de calidad La inspección 100% completa a lo largo de la producción garantiza que cada producto cumpla con el estándar ISO, lo que garantiza productos de alta calidad.


Característica y aplicación de los ojales de acero inoxidable 316

Los ojales de acero inoxidable 316 se utilizan en entornos difíciles. Los barcos y equipos marinos los utilizan debido al agua salada. Los accesorios de exterior los utilizan en cualquier clima. Las plantas químicas a veces los necesitan debido a su resistencia. Los equipos de procesamiento de alimentos también pueden usarlos. Los equipos para actividades al aire libre de alta calidad necesitan estos ojales. Incluso los proyectos arquitectónicos utilizan ojales de acero inoxidable 316 para decoración y función. Se eligen donde los ojales normales se oxidarían. Nuestros clientes confían en nuestros ojales de acero inoxidable 316 para aplicaciones importantes. Saben que estos ojales funcionarán bien y lucirán bien durante años. Estamos orgullosos de fabricar productos tan confiables aquí en Dongguan.


Detalles de ojales de acero inoxidable 316.


Preguntas frecuentes:

P1: ¿Cuál es su cantidad mínima de pedido para ojales de acero inoxidable 316?

La cantidad mínima de pedido para remaches es de 20.000 unidades.


P2: ¿Pueden personalizar la fabricación con nuestro dibujo?

Sí, la mayoría de nuestros remaches tubulares se fabrican a medida según el dibujo del cliente.


P3: ¿Podría proporcionarnos muestras gratuitas de los remaches huecos?

Podemos proporcionar muestras gratuitas para el tamaño que tenemos en stock, pero los clientes pagarán los cargos exprés.


P4: ¿Cuál es su tiempo de entrega?

Tamaño de los remaches en stock: 3-5 días, remaches no estándar: 15-25 días. Realizaremos la entrega lo antes posible con la garantía de calidad.


P5: ¿La calidad de sus productos?

La empresa cuenta con equipos avanzados de producción y prueba. Todos los productos serán inspeccionados al 100% por nuestro departamento de control de calidad antes del envío.


P6: ¿Por qué elegimos Nuote Technology?

1. Nuote respetamos los términos del cliente para proteger los proyectos de privacidad del cliente.

2.Alta calidad con precio atractivo.

3. Plazo de entrega rápido

4.Trato feliz y honestidad con el cliente y el socio.

5.El anuncio de ventas profesional responde su consulta en 8 horas.

6.Los productos y servicios de Nuote se venden a más de 70 países con buena reputación.

Etiquetas calientes: Ojales de acero inoxidable 316, ojales SUS316L, ojales de acero inoxidable de China
Categoría relacionada
Enviar Consulta
Por favor, siéntase libre de dar su consulta en el siguiente formulario. Le responderemos en 24 horas.
X
Utilizamos cookies para ofrecerle una mejor experiencia de navegación, analizar el tráfico del sitio y personalizar el contenido. Al utilizar este sitio, acepta nuestro uso de cookies. política de privacidad