Ojales de acero inoxidable.
  • Ojales de acero inoxidable. Ojales de acero inoxidable.

Ojales de acero inoxidable.

Nuote Metals es uno de los principales pioneros en la fabricación de ojales de acero inoxidable en China. Los ojales de acero inoxidable están hechos de láminas de acero inoxidable y proporcionan una resistencia a la corrosión superior en comparación con los ojales de acero, lo que los hace ideales para aplicaciones expuestas a la humedad o ambientes hostiles.

Enviar Consulta

Descripción del Producto

Introducción de ojales de acero inoxidable.


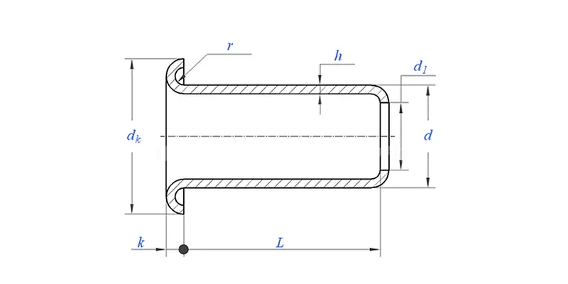
Los ojales de acero inoxidable son sujetadores metálicos circulares que se utilizan para reforzar agujeros preperforados en telas y otros materiales blandos. Están hechos de una sola pieza de material que se inserta en el orificio y luego se comprime con una herramienta manual o una máquina para asegurar permanentemente el ojal de metal.


stainless steel eyelets


Muestra de aplicación de ojales de acero inoxidable:


stainless steel eyelets 

Parámetro del producto (especificación)


Material

acero inoxidable

Tratamiento superficial

Limpio, cincado, niquelado, plateado, según pedido

Certificado

Cumple con RoHS

Diámetro del vástago

0,8-10 mm

Tolerancia

+/-0,05 mm

Solicitud

 Adecuado para su uso en diversas industrias, incluidasautomoción, aeroespacial, eléctrica y electrónica, etc.

Control de calidad

La inspección 100% completa a lo largo de la producción garantiza que cada producto cumpla con el estándar ISO, lo que garantiza productos de alta calidad.



Característica y aplicación del producto


Los ojales de acero inoxidable son sujetadores metálicos que se utilizan para reforzar agujeros y cubrir agujeros con bordes afilados en metal y plástico. se utilizan ampliamente para prendas de vestir, zapatos, lonas, letreros y pancartas, velas, banderas, cortinas de baño y muchas otras aplicaciones.


ojales de acero inoxidable Detalles de producción


stainless steel eyelets


Información de embalaje


stainless steel eyelets


Preguntas frecuentes:


P1: ¿Cuál es su cantidad mínima de pedido para ojales de acero inoxidable?

La cantidad mínima de pedido para remaches es de 20.000 unidades.


P2: ¿Pueden personalizar la fabricación con nuestro dibujo?

Sí, la mayoría de nuestros ojales se fabrican a medida según el dibujo del cliente.


P3: ¿Podría proporcionarnos muestras gratuitas de los remaches con ojales?

Podemos proporcionar muestras gratuitas para el tamaño que tenemos en stock, pero los clientes pagarán los cargos Express.


P4: ¿Cuál es su tiempo de entrega?

Tamaño de los remaches en stock: 3-5 días, remaches no estándar: 15-25 días. Realizaremos la entrega lo antes posible con la garantía de calidad.


P5: ¿La calidad de sus productos?

La empresa cuenta con equipos avanzados de producción y prueba. Todos los productos serán inspeccionados al 100% por nuestro departamento de control de calidad antes del envío.


P6: ¿Por qué elegimos Nuote Technology?

1. Nuote respetamos los términos del cliente para proteger los proyectos de privacidad del cliente.

2.Alta calidad con precio atractivo.

3. Plazo de entrega rápido

4.Trato feliz y honestidad con el cliente y el socio.

5.El anuncio de ventas profesional responde su consulta en 8 horas.

6.Los productos y servicios de Nuote se venden a más de 70 países con buena reputación.




Etiquetas calientes: Ojales de acero inoxidable.
Categoría relacionada
Enviar Consulta
Por favor, siéntase libre de dar su consulta en el siguiente formulario. Le responderemos en 24 horas.
X
Utilizamos cookies para ofrecerle una mejor experiencia de navegación, analizar el tráfico del sitio y personalizar el contenido. Al utilizar este sitio, acepta nuestro uso de cookies. política de privacidad