Ojales de acero inoxidable

Ojales de acero inoxidable

Somos Nuote Metals de Dongguan China. Nuestra fábrica fabrica ojales de acero inoxidable de calidad para diferentes industrias. Producimos ojales de acero inoxidable desde hace muchos años. Utilizamos buen material de acero inoxidable. Este material hace que nuestros ojales de acero inoxidable sean fuertes y resistentes al óxido. Fabricamos ojales de acero inoxidable en muchos tamaños. Algunos son pequeños para la electrónica. Algunos son grandes para productos de exterior. Nuestros trabajadores revisan cada ojal de acero inoxidable. Miran cada pieza con atención. Muchos clientes eligen nuestros ojales de acero inoxidable porque funcionan bien y duran mucho tiempo. Podemos hacer muestras rápidamente para nuevos proyectos.

Enviar Consulta

Descripción del Producto

Introducción a los ojales de acero inoxidable

Los ojales de acero inoxidable son anillos metálicos fabricados de acero inoxidable. Se utilizan para reforzar agujeros en materiales. Los ojales de acero inoxidable protegen los agujeros de daños. Mantienen su forma incluso cuando se les tira con fuerza. Estos ojales de acero inoxidable no se oxidan en condiciones de humedad. Se mantienen brillantes y fuertes durante años. Para colocar ojales de acero inoxidable se necesita una máquina especial. La máquina presiona el ojal de acero inoxidable en el material. Una vez instalado, permanece firmemente en su lugar. Esto hace que los productos sean mejores y más duraderos.



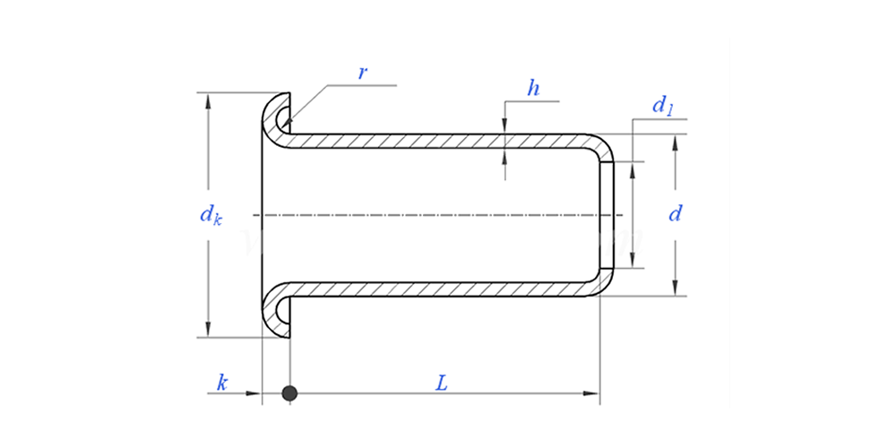
Parámetro de ojales de acero inoxidable (especificación)



Material acero inoxidable
Tratamiento superficial Limpio, cincado, niquelado, plateado, según pedido
Certificado Cumple con RoHS
Diámetro del vástago 0,8-10 mm
Tolerancia +/-0,05 mm
Solicitud Adecuado para su uso en diversas industrias, incluidas la automotriz, aeroespacial, eléctrica y electrónica, etc.
Control de calidad La inspección 100% completa a lo largo de la producción garantiza que cada producto cumpla con el estándar ISO, lo que garantiza productos de alta calidad.


Dibujo de ojales de acero inoxidable como se muestra a continuación:

Muestra de aplicación:


Característica y aplicación de los ojales de acero inoxidable

Los ojales de acero inoxidable tienen muchos usos. Los zapatos y las botas necesitan ojales de acero inoxidable para los cordones. El equipo para actividades al aire libre utiliza ojales de acero inoxidable para cuerdas y cordones. Los bolsos y maletas necesitan ojales de acero inoxidable para las correas. Las tiendas de campaña y las lonas requieren ojales de acero inoxidable para sujetarlas. En la electrónica a veces se utilizan pequeños ojales de acero inoxidable para los cables. Los equipos marinos necesitan ojales de acero inoxidable porque resisten el agua salada. Estos ojales de acero inoxidable hacen que los productos sean fiables y duraderos. Nuestros clientes confían en nuestros ojales de acero inoxidable para sus productos importantes. Saben que nuestros ojales de acero inoxidable funcionarán bien en cualquier condición.


Información de embalaje

Detalles de producción de ojales inoxidables


Preguntas frecuentes:

P1: ¿Cuál es su MOQ para ojales de acero inoxidable?

La cantidad mínima de pedido para remaches es de 20.000 unidades.


P2: ¿Pueden personalizar la fabricación con nuestro dibujo?

Sí, la mayoría de nuestros remaches tubulares se fabrican a medida según el dibujo del cliente.


P3: ¿Podría proporcionarnos muestras gratuitas de los remaches huecos?

Podemos proporcionar muestras gratuitas para el tamaño que tenemos en stock, pero los clientes pagarán los cargos Express.


P4: ¿Cuál es su tiempo de entrega?

Tamaño de los remaches en stock: 3-5 días, remaches no estándar: 15-25 días. Realizaremos la entrega lo antes posible con la garantía de calidad.


P5: ¿La calidad de sus productos?

La empresa cuenta con equipos avanzados de producción y prueba. Todos los productos serán inspeccionados al 100% por nuestro departamento de control de calidad antes del envío.


P6: ¿Por qué elegimos Nuote Technology?

1. Nuote respetamos los términos del cliente para proteger los proyectos de privacidad del cliente.

2.Alta calidad con precio atractivo.

3. Plazo de entrega rápido

4.Trato feliz y honestidad con el cliente y el socio.

5.El anuncio de ventas profesional responde su consulta en 8 horas.

6.Los productos y servicios de Nuote se venden a más de 70 países con buena reputación.


Etiquetas calientes: Ojales de acero inoxidable,Fabricante de ojales de acero inoxidable,China Ojales de acero inoxidable
Categoría relacionada
Enviar Consulta
Por favor, siéntase libre de dar su consulta en el siguiente formulario. Le responderemos en 24 horas.
X
Utilizamos cookies para ofrecerle una mejor experiencia de navegación, analizar el tráfico del sitio y personalizar el contenido. Al utilizar este sitio, acepta nuestro uso de cookies. política de privacidad