Ojales para aceiteras

Ojales para aceiteras

Los ojales de acero inoxidable para aceiteras son pequeños anillos especiales que se utilizan en las aceiteras. Deben su nombre a su uso clásico en las aceiteras tradicionales. Nuote Metals en Dongguan, China, produce ojales confiables de acero inoxidable para latas de aceite con diferentes tamaños.

Enviar Consulta

Descripción del Producto

Introducción de ojales para latas de aceite

Estos ojales para aceiteras están fabricados de una sola pieza de acero inoxidable. Esto los hace fuertes y resistentes a la oxidación, lo cual es muy importante para un uso duradero. El diseño incluye un centro hueco y una ranura preformada. Esta ranura facilita engarzar los ojales de las latas de aceite de forma segura en un orificio de chapa sin mucho esfuerzo. La instalación es rápida y crea un sello hermético y permanente.


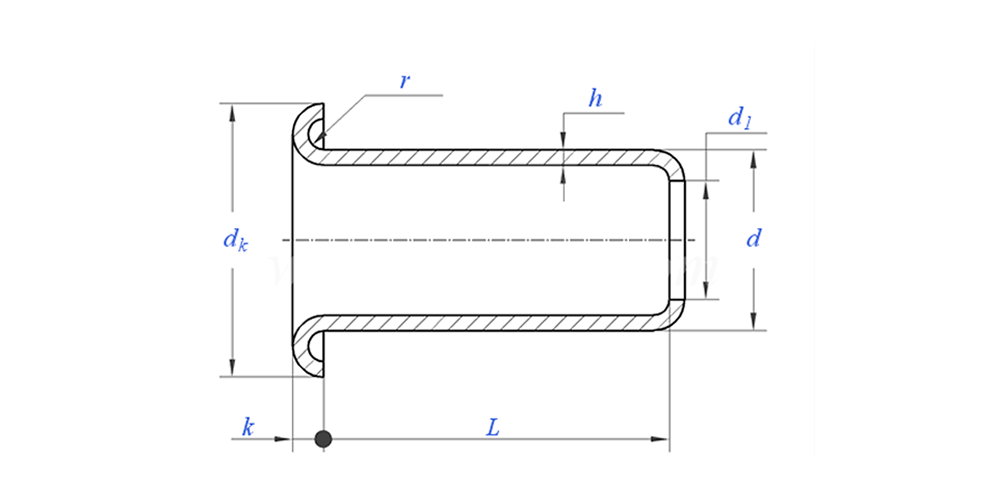
Los ojales de la lata de aceite se dibujan como se muestra a continuación:

Muestra de aplicación de ojales de aceite:

Parámetro de ojales de aceitera (especificación)


Material Acero inoxidable 304
Tratamiento superficial Limpio, cincado, niquelado, plateado, según pedido
Certificado Cumple con RoHS
Diámetro del vástago 0,8-10 mm
Tolerancia +/-0,05 mm
Solicitud Adecuado para su uso en diversas industrias, incluidas la automotriz, aeroespacial, eléctrica y electrónica, etc.
Control de calidad

La inspección 100% completa a lo largo de la producción garantiza que cada producto cumpla con el estándar ISO, lo que garantiza productos de alta calidad.


Característica y aplicación de los ojales de aceite

Encontrarás estos ojales para aceiteras donde más los necesitas: en la boquilla de una aceitera. Crean un orificio liso y reforzado por el que fluye el aceite. Esta sencilla pieza hace que el uso de la lata sea más fácil y limpio. También hace que el pico sea mucho más fuerte, por lo que no se desgastará fácilmente. Sin un buen ojal para la aceitera, el borde metálico puede volverse áspero y provocar fugas. Por eso esta pequeña pieza es tan importante para una aceitera fiable.


Ojales para latas de aceite Detalles de producción

Información de embalaje


Preguntas frecuentes:

P1: ¿Cuál es su cantidad mínima de pedido para los ojales de las latas de aceite?

La cantidad mínima de pedido para remaches es de 20.000 unidades.


P2: ¿Pueden personalizar la fabricación con nuestro dibujo?

Sí, la mayoría de nuestros remaches tubulares se fabrican a medida según el dibujo del cliente.


P3: ¿Podría proporcionarnos muestras gratuitas de los remaches huecos?

Podemos proporcionar muestras gratuitas para el tamaño que tenemos en stock, pero los clientes pagarán los cargos Express.


P4: ¿Cuál es su tiempo de entrega?

Tamaño de los remaches en stock: 3-5 días, remaches no estándar: 15-25 días. Realizaremos la entrega lo antes posible con la garantía de calidad.


P5: ¿La calidad de sus productos?

La empresa cuenta con equipos avanzados de producción y prueba. Todos los productos serán inspeccionados al 100% por nuestro departamento de control de calidad antes del envío.


P6: ¿Por qué elegimos Nuote Technology?

1. Nuote respetamos los términos del cliente para proteger los proyectos de privacidad del cliente.

2.Alta calidad con precio atractivo.

3. Plazo de entrega rápido

4.Trato feliz y honestidad con el cliente y el socio.

5.El anuncio de ventas profesional responde su consulta en 8 horas.

6.Los productos y servicios de Nuote se venden a más de 70 países con buena reputación.





Etiquetas calientes: Ojales para latas de aceite,Ojales para latas de aceite,Ojales de acero inoxidable para latas de aceite
Categoría relacionada
Enviar Consulta
Por favor, siéntase libre de dar su consulta en el siguiente formulario. Le responderemos en 24 horas.
X
Utilizamos cookies para ofrecerle una mejor experiencia de navegación, analizar el tráfico del sitio y personalizar el contenido. Al utilizar este sitio, acepta nuestro uso de cookies. política de privacidad